首页
关于我们
产品中心
新闻动态
公开信息
联系我们
公开信息
公开信息
联系方式
手机:尧女士 13510356501
电话:0755-27130911
地址:广东省深圳市宝安区松岗街道江边社区工业四路1号
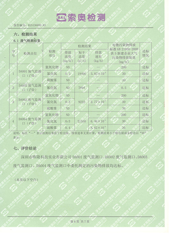
2025年12月废气检测报告
浏览次数:664 时间: 2026-01-10
上一条:2026年1月废水检测报告
下一条:2025年12月废水检测报告
返回
网站导航
首页
关于我们
产品中心
新闻动态
公开信息
联系我们
手机:尧女士 13510356501
电话:0755-27130911
地址:广东省深圳市宝安区松岗街道江边社区工业四路1号
官网二维码
Copyright © 深圳市晖隆科技实业有限公司
粤ICP备20001231号